CNC Pull Studs
![]() |
We carry pull studs (retention knobs) for Columbo, Komo, HSD and other spindles. Please make sure that the pull stud you order is the exact pull stud your machine uses. Improper choice of retention knobs can cause damage to your machine spindle, the tool holder, and can cause a serious safety hazard. |
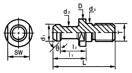
| Type | D | d1 | d2 | d3 | L | L1 | L2 | T | Brand | Part # |
|---|---|---|---|---|---|---|---|---|---|---|
| KOMO 30-A12.5 | 17mm | 13mm | 9mm | 12.5mm | 44mm | 23.4mm | 18.2mm | M12 | Southeast Tool | SE750-19 |
| DAT 30-A | 17mm | 13mm | 9mm | 13mm | 44mm | 24mm | 19mm | M12 | Southeast Tool | SE13001 |
| Colombo 30 Ball | 17mm | 12.8mm | 9mm | 13mm | 44mm | 24mm | 19mm | M12 | Southeast Tool | SE13001-45 |
| HSD ISO 30 | 17mm | 12mm | 8mm | 13mm | 44mm | 23.9mm | — | M12 | Southeast Tool | SE13019 |
| BT 30-45deg | 16.5mm | 11mm | 7mm | 12.5mm | 43mm | 23mm | — | M12 | Southeast Tool | SE07801 |
| BT 40-45deg | 23mm | 15mm | 10mm | 17mm | 60mm | 35mm | 28mm | M16 | Southeast Tool | SE07803 |
| BT 50-45deg | 38mm | 23mm | 17mm | 25mm | 85mm | 45mm | 35mm | M24 | Southeast Tool | SE07805 |
| BT 30-60deg | 16.5mm | 11mm | 7mm | 12.5mm | 43mm | 23mm | — | M12 | Southeast Tool | SE07806 |
| BT 40-60deg | 23mm | 15mm | 10mm | 17mm | 60mm | 35mm | 28mm | M16 | Southeast Tool | SE07808 |
| BT 50-60deg | 38mm | 23mm | 17mm | 25mm | 85mm | 45mm | 35mm | M24 | Southeast Tool | SE07810 |
| BT 30-90deg | 16.5mm | 11mm | 7mm | 12.5mm | 43mm | 23mm | 8mm | M12 | Southeast Tool | SE07812 |
| BT 40-90deg | 23mm | 15mm | 10mm | 17mm | 60mm | 35mm | 28mm | M16 | Southeast Tool | SE07814 |
| BT 35-Heian | 20mm | 13mm | 8.5mm | 12.5mm | 43mm | 28mm | 22.5mm | M12 | Southeast Tool | SE4403502 |
| DAT 40-A | 23mm | 19mm | 14mm | 17mm | 54mm | 26mm | 20mm | M16 | Southeast Tool | SE13003 |
-
Techniks
Pull Stud for CNC Tool Holder, BT 35-Heian, 15deg, Techniks 4403502Pull Studs for CNC Routers - Techniks 4403502; WARNING: Cancer and Reproductive Harm—www.…
MSRP: $82.00$74.62 -
Southeast Tool
Pull Stud for CNC Tool Holder, KOMO 30-A12.5, 15deg, Southeast Tool SE750-19Pull Studs for CNC Routers - Southeast Tool SE750-19; See table for dimensions*Most Southeast Tool p…
MSRP: $83.03$66.71 -
Southeast Tool
Pull Stud for CNC Tool Holder, BT 35-Heian, 15deg, Southeast Tool SE4403502Pull Studs for CNC Routers - Southeast Tool SE4403502; See table for dimensions.*Most Southeast Tool…
MSRP: $150.58$121.00 -
Southeast Tool
Pull Stud for CNC Tool Holder, HSD ISO30, Southeast Tool SE13019Pull Studs for CNC Routers - Southeast Tool SE13019; See table for dimensions*Most Southeast Tool pr…
MSRP: $45.68$36.71 -
Southeast Tool
Pull Stud for CNC Tool Holder, DAT 40-A, 15deg, Southeast Tool SE13003Pull Studs for CNC Routers - Southeast Tool SE13003; See table for dimensions*Most Southeast Tool pr…
MSRP: $35.43$28.46 -
Southeast Tool
Pull Stud for CNC Tool Holder, Colombo 30 Ball, 45deg, Southeast Tool SE13001-45Pull Studs for CNC Routers - Southeast Tool SE13001-45; See table for dimensions*Most Southeast Tool…
MSRP: $42.53$34.18 -
Southeast Tool
Pull Stud for CNC Tool Holder, DAT 30-A, 15deg, Southeast Tool SE13001Pull Studs for CNC Routers - Southeast Tool SE13001; See table for dimensions*Most Southeast Tool pr…
MSRP: $31.07$24.96 -
Southeast Tool
Pull Stud for CNC Tool Holder, BT 40-90deg, 23 Dia, 60 Length, Southeast Tool SE07814Pull Studs for CNC Routers - Southeast Tool SE07814; See table for dimensions*Most Southeast Tool pr…
MSRP: $33.74$27.11 -
Southeast Tool
Pull Stud for CNC Tool Holder, BT 30-90deg, 16.5 Dia, 43 Length, Southeast Tool SE07812Pull Studs for CNC Routers - Southeast Tool SE07812; See table for dimensions*Most Southeast Tool pr…
MSRP: $32.45$26.07 -
Southeast Tool
Pull Stud for CNC Tool Holder, BT 50-60deg, 38 Dia, 85 Length, Southeast Tool SE07810Pull Studs for CNC Routers - Southeast Tool SE07810; See table for dimensions*Most Southeast Tool pr…
MSRP: $66.53$53.46 -
Southeast Tool
Pull Stud for CNC Tool Holder, BT 40-60deg, 23 Dia, 60 Length, Southeast Tool SE07808Pull Studs for CNC Routers - Southeast Tool SE07808; See table for dimensions*Most Southeast Tool pr…
MSRP: $38.55$30.98 -
Southeast Tool
Pull Stud for CNC Tool Holder, BT 30-60deg, 16.5 Dia, 43 Length, Southeast Tool SE07806Pull Studs for CNC Routers - Southeast Tool SE07806; See table for dimensions*Most Southeast Tool pr…
MSRP: $46.72$37.54 -
Southeast Tool
Pull Stud for CNC Tool Holder, BT 50-45deg, 38 Dia, 85 Length, Southeast Tool SE07805Pull Studs for CNC Routers - Southeast Tool SE07805; See table for dimensions*Most Southeast Tool pr…
MSRP: $66.53$53.46 -
Southeast Tool
Pull Stud for CNC Tool Holder, BT 40-45deg, 23 Dia, 60 Length, Southeast Tool SE07803Pull Studs for CNC Routers - Southeast Tool SE07803; See table for dimensions*Most Southeast Tool pr…
MSRP: $35.09$28.20 -
Southeast Tool
Pull Stud for CNC Tool Holder, BT 30-45deg, 16.5 Dia, 43 Length, Southeast Tool SE07801Pull Studs for CNC Routers - Southeast Tool SE07801; See table for dimensions*Most Southeast Tool pr…
MSRP: $37.17$29.88
